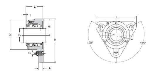
I-1200 Ložisková tělesa s přírubou
Přírubová ložisková tělesa I-1200 od německého výrobce HFB jsou určena pro naklápěcí kuličková ložiska s rozšířeným vnitřním kroužkem (řada 112). Přírubová ložisková tělesa řady I-1200 jsou vybavena plstěným těsněním a jsou vhodné pro mazání tukem. V tělese je otvor R 1/8 pro případné domazávání.


