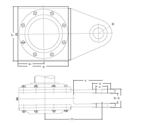
STL napínací (bubnová) tělesa
STL napínací (bubnová) tělesa od německého výrobce HFB jsou vyrobena z materiálu GS45. V případě požadavků je možné tělesa STL dodat i v materiálu GGG40 nebo GG20. Tělesa STL jsou dělená a jsou určená pro montáž soudečkových ložisek s válcovou dírou nebo s kuželovou dírou a upínacím pouzdrem. V závislosti na požadavcích mohou být tato tělesa dodávána s pevně nebo volně uloženým ložiskem.
HFB napínací (bubnová) tělesa jsou opatřena dvojitým labyrintovým těsněním na obou stranách a jsou určena pro mazání tukem. Pro potřebu domazávání jsou tělesa vybavena mazacím otovrem v oblasti středu ložiska. Používají-li se jako koncová ložiska (A) koncový kryt se dodává namísto labyrintového těsnění na jedné straně.


